99 Civic Fuel Level Gauge Stuck on Full
3. Any advice on how to use a multimeter to test the short would be appreciated.
Last edited by RonJ; Oct 26, 2013 at 07:39 PM.
Do I need to unplug one of the connectors that are currently covered?
I am trying to understand the concept. So if there is continuity, it means that there is a short in the Yel/Blk, right?
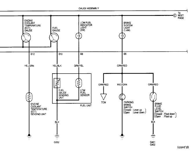
My understanding is that with the two connectors unplugged, there shouldn't be continuity between the Yel/Blk and the body ground. There should only be continuity between them when the sending unit is sending something to the cluster.
Is that right?
Do I need to unplug one of the connectors that are currently covered?
My understanding is that with the two connectors unplugged, there shouldn't be continuity between the Yel/Blk and the body ground.
There should only be continuity between them when the sending unit is sending something to the cluster.
Is that right?
Is that right?
Ok, I did not remove any rubber cover. I just unplugged the connector shown in the photo. I can't take another photo or check the wire colors right now, but what do you think I unplugged given that it was not covered with anything? If I remember correctly, it 4p.
Unplug the 3P sending unit connector and then turn the key to ON(II) to see whether the fuel gauge needle now drops.
I guess I am still confused. How could there be continuity between the Yel/Blk and the body ground if both connectors are unplugged? In other words, what could be causing such a short? Since the connectors are unplugged, it couldn't be sending unit or the cluster. So what could it be?
Just vacuum the loose dirt. The connectors may be coated with dielectric grease. Don't clean that off. If you do, recoat the connectors with dielectric grease.


