No spark, no fuel after head replacement
Don't junk your Civic for a no-start problem!
Do you hear the low humming noise of the fuel pump priming for 2 seconds when you turn the key to ON(II)?
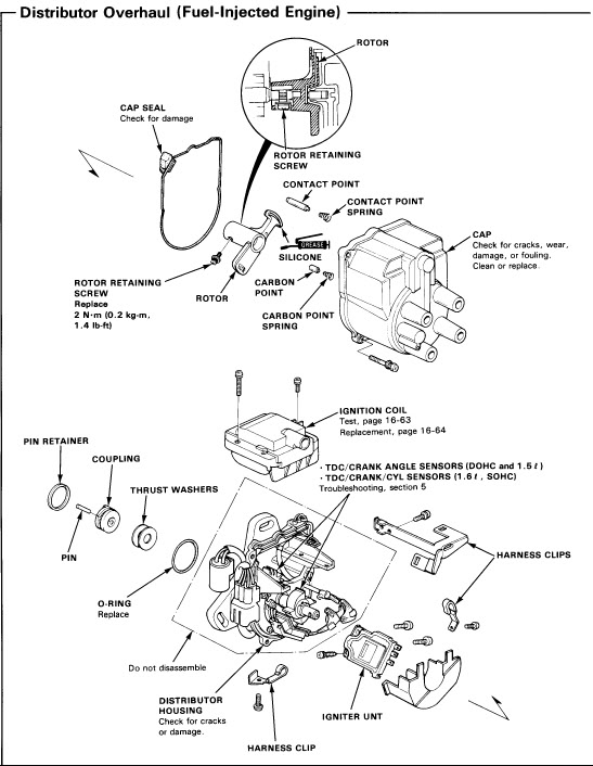
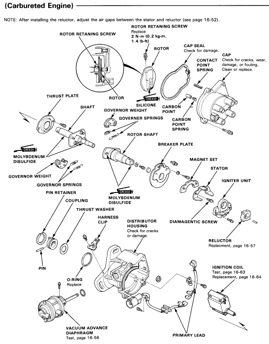
Do you have a fuel injected or carbureted engine?
Have you replaced the igniter unit in the distributor?
Carefully clean and tighten all of the ground wires (see last diagram below).


Do you hear the low humming noise of the fuel pump priming for 2 seconds when you turn the key to ON(II)?
Do you have a fuel injected or carbureted engine?
Have you replaced the igniter unit in the distributor?
Carefully clean and tighten all of the ground wires (see last diagram below).


Last edited by RonJ; Dec 20, 2008 at 06:36 AM.
itinerant-
No worries, it will never go to the scrap yard (I can't remember why I said that!)
I thought about the spark plug wires themselves. I am thinking that bad wires would at least send SOME spark. But I am getting NO spark at all. Maybe I am wrong?
RonJ-
Not sure about the fuel pump, I will make sure and check that. I don't think I heard it.
The engine is FI. Thanks for the diagrams. The igniter was replaced with the distributor was.
The grounds...this is interesting because this stuff could have moved around. I will look at these very carefully...
Thanks!!!!!!!!!
No worries, it will never go to the scrap yard (I can't remember why I said that!)
I thought about the spark plug wires themselves. I am thinking that bad wires would at least send SOME spark. But I am getting NO spark at all. Maybe I am wrong?
RonJ-
Not sure about the fuel pump, I will make sure and check that. I don't think I heard it.
The engine is FI. Thanks for the diagrams. The igniter was replaced with the distributor was.
The grounds...this is interesting because this stuff could have moved around. I will look at these very carefully...
Thanks!!!!!!!!!
The ground wire attached to the thermostat housing is exceptionally important. Corrosion, looseness, and disconnection is a common cause for a no-start condition.
As mk mentions, you should also see whether the ECU is throwing any codes:
As mk mentions, you should also see whether the ECU is throwing any codes:
Thread
Thread Starter
Forum
Replies
Last Post
martinc98
Mechanical Problems & Technical Chat
3
Dec 6, 2013 07:30 AM
dylank
Mechanical Problems & Technical Chat
1
Aug 7, 2013 07:59 AM
jonsaidthat
Mechanical Problems & Technical Chat
6
Oct 30, 2008 05:04 AM
lvo civic
Mechanical Problems & Technical Chat
6
Mar 16, 2006 12:43 AM




